
Código | DV56-J3 |
Herramienta | Prensa |
Tipo | Doble |
Marca | 5th Axis |
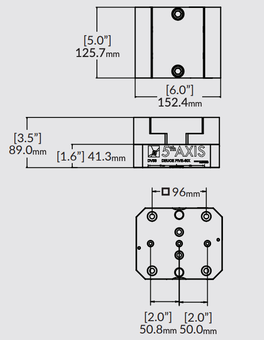
Sistema RockLock | RockLock 96 mm |
Apertura | 147.3 mm (5.8") |
Ancho de la Mordaza | 125.7 mm (5") |
Alto de la Mordaza | 48 mm (1.89") |
Largo Total | 152.4 mm (6") |
Alto Total | 89 mm (3.5") |
Peso | 7.25 kg |