
Código | R96-DV75150X-J1 |
Herramienta | Prensa |
Tipo | Doble |
Marca | 5th Axis |
Sistema RockLock | No |
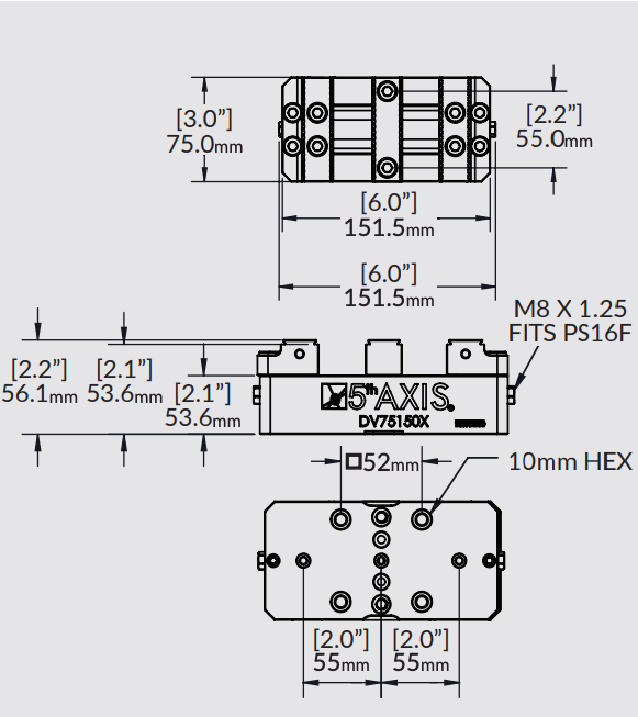
Apertura | 55.02 mm (2.17") |
Ancho de la Mordaza | 75 mm (2.95") |
Alto de la Mordaza | N/A |
Largo Total | 152.4 mm (6") |
Alto Total | 56 mm (2.95") |
Peso | 3.17 kg |